Harga wiring kipas siling. Pemegang lampu soket keluaran ros siling suis utama ELCB suis PFA alatur kipas blok PVC bulat Mengenal tamatan aksesori.
Wiring 20a 20contactor For Contactor And Overload Wiring Diagr Wiring Diagram Floraofla Electrical Circuit Diagram Electrical Wiring Home Electrical Wiring
Rumah baru 2tingkat wiring dah siapupah pasang jetingkat bawah n atas.
. Pemasangan dengan kabel pendawaian casing pada harga RM150 setiap unit seterusnya pada harga RM130. KAMI MENAWARKAN PERKHIDMATAN WIRING RUMAH DENGAN HARGA YANG BERPATUTAN SEPERTI DIBAWAH. Buy Elektrik wiring service in Kuala LangatMalaysia.
Loceng elektrik ialah contoh alat yang menggunakan elektromagnet. Pemasangan sahaja hanya pada harga RM80 setiap unit berikutnya pada. WIRING RUMAH 1 phase 3 ph Chat to Buy.
Baterinya diperbuat daripada komposisi yang. Pemasangan untuk loceng pintu elektrik pada harga RM100 Pemasangan untuk pengesan asap atau karbon monoksida pada harga RM100 RM150. Harga Wiring Rumah 2021 - MKK Plaster Ceiling u0026 Renovation PANDUAN HARGA PERKHIDMATAN - Bintulu Wiring Services Ini sebab 3 orang kawan saya berhenti melanggan TM unifi Servis Elektrik Dan Sivil Safa Elektrikal Contoh Wiring Loceng Elektrik di Rumah Adam Roslan Senarai harga komponen suis utama dirumah.
Wiring is subject to safety standards for design and installation. Wiring elektrik 1 fasa dan 3 fasa Wiring Aircond Wiring keseluruhan rumah Kerja Pengalihan Db Kerja Pengalihan Meter Memasang paip pvcbeloh dinding dan tanam kotak hitamwiring loceng rumah KERJA-KERJA PEMASANGAN. Settle job petang tadi troubleshoot wiring pasang loceng di perdana heights shah alam.
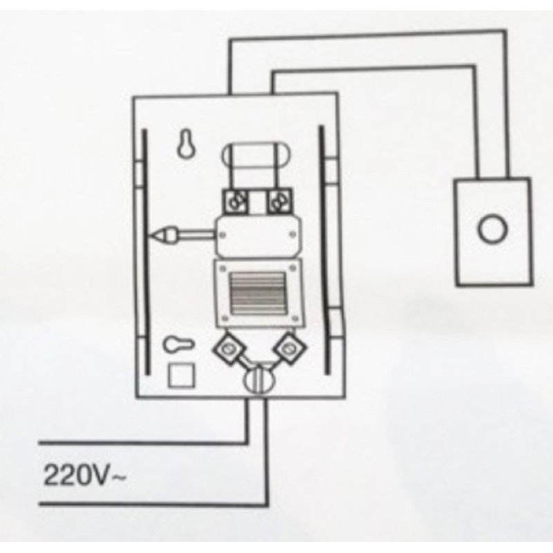
Mengenal Diagram Gambar Listrik. Cara-cara untuk memasang door bell jenama Schneider berserta suis nya. Contextual translation of loceng elektrik into English.
Mengenal berbagai jenis aksesori pendawaian domestik. Terima kasih customer support kami Sebarang pertanyaan Shah 0166828385. 1 Upah Pasang Sahaja.
Mhd Asri Isnin Mei 21 2018. Pemasangan kotak main switch rccb mcb socket grounding kipas lampu plug bracket tv loceng pintu timer lampu dikawal cahaya dan sebagainya. Electrical wiring is an electrical installation of cabling and associated devices such as switches distribution boards sockets and light fittings in a structure.
Pasang Lampu Kalimatang pnjang dan pendek Pasang Lampu Hiasan Pasang Lampu Downlight. Lampu Kecemasan dan Kipas Ekzos Pendawaian Loceng Elektrik Loceng elektrik 12 Transformer 240V 12V 240 E L N Suis loceng Contoh Litar Akhir FAKTOR KEPELBAGAIAN Takrif ialah satu pengiraan anggaran pengurangan kadar arus bagi kabel dan alat-alat dari kadaran arus yang sebenar pengurangan ini disebabkan anggapan bahawa tidak semua. Corak medan magnet yang terbentuk.
Pelbagai harga yg saya dapat sebenarnya. Oxford Electric Bell telah berkumandang secara berterusan sejak tahun 1840 untuk memegang Guinness World Record. KUANTAN Menyediakan perkhidmatan pemasangan pembaikan dan pengubahsuaian pendawaian elektrik - wiring rumah kediaman.
Elektromagnet dan Aplikasinya Dalam Kehidupan Seharian. Pemasangan lampu dan kipas dan loceng di klang Wiring elektrik Harga Berpatutan Hubungi kami ditalian 0183985986 Atau whatsapp kami. Wireman di kuantan.
Contoh Wiring Loceng Elektrik di Rumah. Bell shell electric hourglass electricity alarm clock arus elektrik. Electrical wiring single phase or 3 phase.
Human translations with examples. Cara Mudah Pasang Doorbell Legrand Unboxing Review Youtube. Sambungan aksesori untuk menunjukkan kendalian litar.
Saya beli doorbell ini di Shopee dalam anggaran RM5000Jom tengok DIY lain di bawahC. Jenis tamatan tanda-tanda Sambungan aksesori. Tak kira anda tinggal di rumah baru atau lama ada kelebihan dan kekurangan pendawaiannya yang tersendiri.
Wiring Elektrik Rumah wwwwasapmy60166828385 Adakah Anda mencari perkhidmatan wiring dan pemasangan Kami menyediakan PERKHIDMATAN WIRING DAN. Elektromagnet ialah sejenis magnet yang mempunyai kesan magnet untuk sementara waktu apabila arus elektrik alirkan melaluinya. Allowable wire and cable types and sizes are specified according to the circuit operating voltage and electric current capability with further restrictions on the.
Wiring My Ring Video To Existing Friedland D3230 Video Doorbells Ring Community
Electric Door Bell Loceng Elektrik Health Nutrition Health Monitors Weighing Scales On Carousell
Bg888 Home Door Bell Chimes White Silver Wired Door Bell Mechanical Striking Loceng Pintu Bg888 Ding Dong Wiring Shopee Malaysia
Contoh Wiring Loceng Elektrik Di Rumah Adam Roslan
Pendawaian Domestik Membalik Buku Halaman 51 58 Fliphtml5
Ready Stock Wired Door Bell Door Chime Doorbell Loceng Pintu Cover Switch Shopee Malaysia
Energies Free Full Text Transient Thermal Analysis Of The Circuit Breaker Current Path With The Use Of Fea Simulation Html
Wiring Loceng Rumah One Hundred Services Facebook
What Should I Do If There Is No Ground Wire In Switch It Seems My Switch Is Connected To Neutral Wire But Not Ground Wire I M Trying To Install A Smart Dimmer
Servis Pasang Doorbell Kapar Selangor Kontraktor Pendawaian Elektrik







